Produkt-Formular

DS-KV6113-WPE1 Türklingel (C) Stand-alone und/oder modular

Lieferzeit 1-2 Arbeitstage

€199,62€164,98 -10% -10%
€179,56€148,40 Inkl. MwSt.Exkl. MwSt.

    • American Express
    • Apple Pay
    • Bancontact
    • BLIK
    • Google Pay
    • iDEAL
    • Klarna
    • Maestro
    • Mastercard
    • MobilePay
    • PayPal
    • Union Pay
    • Visa
    • Zahlen Sie danach innerhalb von 30 Tagen - sowohl privat als auch geschäftlich

      <p>Zahlen Sie danach innerhalb von 30 Tagen - sowohl privat als auch geschäftlich</p>

    B2B-Installateure bestellen mit Rabatt

    • Kostenloser Versand ab 99 €
    • Der beste Service und die beste Garantie
    • Kostenlose Rückgabe innerhalb von 14 Tagen
    • Kauf auf Rechnung

    check Ähnliche Produkte für DS-KV6113-WPE1 Türklingel (C) Stand-alone und/oder modular

    Größentabelle

    DS-KV6113-WPE1 Türklingel (C) Stand-alone und/oder modular

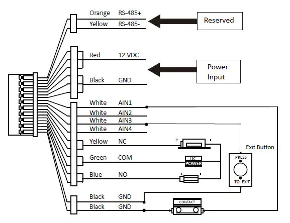
    Diese Türklingel arbeitet eigenständig, d.h. sie kann ohne Sprechanlagenmonitor verwendet werden. Die Türklingel kann über PoE mit Strom versorgt werden, aber bitte beachten Sie, dass Sie dafür nicht das PoE des Rekorders verwenden. Verwenden Sie stattdessen einen PoE-Adapter oder einen PoE-Switch. Sie können jedoch die Bilder der Türklingel auf Ihrem Rekorder speichern, indem Sie die IP-Adresse der Türklingel verwenden und sie zu einem freien Kanal auf Ihrem Rekorder hinzufügen.

    Specificaties:

    • 2 Megapixel Full HD Kamera
    • Echtes WDR und IR-Nachtsicht
    • 129-Grad-Sichtfeld (horizontal)
    • Sabotagealarm und Alarmeingänge
    • Ferngesteuerte Türöffnung
    • Mifare-Kartenleser zum Öffnen eines elektronischen Türschlosses
    • PoE-Stromversorgung 48vdc und Signal über 1 Netzwerkkabel oder WiFi (2.4Ghz) Anschluss in Kombination mit einem 12Vdc Adapter (siehe Zusatzprodukte)
    • P2P-Verbindung, daher keine Portweiterleitung erforderlich
    • Weerbestendig (IP65)
    • Unterstützung für microSD - max. 128GB-Karten
    • Bi-direktionale Kommunikation
    • Vollständige Netzwerkunterstützung: WiFi / LAN
    • Erkennung von Manipulationen - Trennen der Verbindung zur Oberfläche
    • Die Videosprechanlage ist in einem Aufputzgehäuse montiert

    Zuvor von Ihnen angesehen

      Anmeldung

      Passwort vergessen?

      Sie haben noch kein Konto?
      Erstellen Sie ein kostenloses Konto und genießen Sie viele Vorteile.

      .search-results { Anzeige: keine !wichtig; }